Archive for marzo, 2014
Las baterías son sistemas de almacenamiento de energía en forma química que capturan el exceso de energía producida por las fuentes de energía renovables en el caso de una microred. Las ordenes de carga y descarga van condicionadas entre otras cosas por el voltaje adecuado de carga y por el nivel de voltaje suficiente que dar la orden de descarga. En ambos casos, un monitoreo continuo del estado del sistema se debe realizar, a fin de determinar el momento necesario para ello. También en los procesos de simulación se puede apreciar la intensidad de dichas corriente de carga y descarga y las potencias que involucra, esto sirve para determinar la capacidad de los conductores, el tamaño de las baterias y también las características particulares de la batería que lo hagan resistente a los procesos de carga y descarga. En la figura se observa lado izquierdo superior la orden para realizar la carga de la batería, y en la parte izquierda inferior, la orden binaria para proceder al proceso de descarga de la batería. Las curvas en la ventaja de la derecha lo pueden consultar en post anteriores, pero describe las diferentes variables involucradas en el funcionamiento de la batería. Esto ha sido simulado en Matlab/Simulink de MathWorks Inc.
The information related to this post for sale for US $ 1000.00. You can make payments through PayPal account: jorgemirez2002@gmail.com or send an e-mail to receive PayPal invoice and make your payment quickly and easily. Tell us (through e-mail) the name of the input or inputs that interests you. // La información relacionada con este post en venta por US $ 1000.00. Usted puede hacer pagos a través de cuenta PayPal: jorgemirez2002@gmail.com o enviar un e-mail para recibir la factura de PayPal y hacer su pago de forma rápida y sencilla. Díganos (por medio de email) el nombre de la entrada o entradas que le interese.
Dr. Jorge Luis Mírez Tarrillo
Group of Mathematical Modeling and Numerical Simulation (GMMNS).
Universidad Nacional de Ingeniería. Lima, Perú.
E-mail: jmirez@uni.edu.pe
Website Personal: https://jorgemirez2002.wixsite.com/jorgemirez
Facebook http://www.facebook.com/jorgemirezperu
Linkedin https://www.linkedin.com/in/jorge-luis-mirez-tarrillo-94918423/
Scopus ID: https://www.scopus.com/authid/detail.uri?authorId=56488109800
Google Scholar: https://scholar.google.com/citations?user=_dSpp4YAAAAJ
MATLAB Group Admin in Facebook: https://www.facebook.com/groups/Matlab.Simulink.for.All
WhatsApp Channel/Canal: https://whatsapp.com/channel/0029VbCvpZsAYlUSz2esek2y
El regulador de un motor de combustión interna en un grupo electrógeno es un dispositivo mecánico diseñado para mantener una velocidad constante del motor con relación a los requisitos de carga. La frecuencia del motor está relacionada a la frecuencia de salida del alternador.
Hay varios conceptos de potencia generada en el motor: potencia principal, potencia continua, potencia de emergencia. En todo caso los sistema de control y automatización deben estar adecuadamente afinados y el sistema en condiciones de capacidad suficiente para responder a las necesidades de generación. Un buen criterio de selección es importante para tener el grupo electrógeno adecuado no sólo para condiciones de operación normal sino también para condiciones de emergencia.
The information related to this post for sale for US $ 10.00. You can make payments through PayPal account: jorgemirez2002@gmail.com or send an e-mail to receive PayPal invoice and make your payment quickly and easily. Tell us (through e-mail) the name of the input or inputs that interests you. // La información relacionada con este post en venta por US $ 10.00. Usted puede hacer pagos a través de cuenta PayPal: jorgemirez2002@gmail.com o enviar un e-mail para recibir la factura de PayPal y hacer su pago de forma rápida y sencilla. Díganos (por medio de email) el nombre de la entrada o entradas que le interese.
Dr. Jorge Luis Mírez Tarrillo
Group of Mathematical Modeling and Numerical Simulation (GMMNS).
Universidad Nacional de Ingeniería. Lima, Perú.
E-mail: jmirez@uni.edu.pe
Website Personal: https://jorgemirez2002.wixsite.com/jorgemirez
Facebook http://www.facebook.com/jorgemirezperu
Linkedin https://www.linkedin.com/in/jorge-luis-mirez-tarrillo-94918423/
Scopus ID: https://www.scopus.com/authid/detail.uri?authorId=56488109800
Google Scholar: https://scholar.google.com/citations?user=_dSpp4YAAAAJ
MATLAB Group Admin in Facebook: https://www.facebook.com/groups/Matlab.Simulink.for.All
WhatsApp Channel/Canal: https://whatsapp.com/channel/0029VbCvpZsAYlUSz2esek2y
Los molinos de eje vertical no requieren de sistemas de orientación. Ventaja nada despreciable pues evita complejos mecanismos de direccionamiento y elimina los esfuerzos a que se ven sometidas las palas ante los cambios de orientación del rotor. Por su disposición permite colocar los sistemas de conversión prácticamente a nivel de suelo, evitando pesadas cargas en las torres, como ocurre en los de eje horizontal. Los rotores Savonius y Darrieus representan dos diseños básicos de rotores de eje vertical. El rotor Savonius trabaja esencialmente por arrastre, tiene un alto par de arranque pero su eficiencia es pobre. Por su sencillez y bajo costo es fácil de construir con técnicas artesanales. Se emplea en aplicaciones que requieren potencias pequeñas como es el caso de los extractores de aire en grandes edificios industriales o depósitos y en bombeo de agua.
Los rotores Savonius y Darrieus representan dos diseños básicos de rotores de eje vertical. El rotor Savonius trabaja esencialmente por arrastre, tiene un alto par de arranque pero su eficiencia es pobre. Por su sencillez y bajo costo es fácil de construir con técnicas artesanales. Se emplea en aplicaciones que requieren potencias pequeñas como es el caso de los extractores de aire en grandes edificios industriales o depósitos y en bombeo de agua.
The information related to this post for sale for US $ 10.00. You can make payments through PayPal account: jorgemirez2002@gmail.com or send an e-mail to receive PayPal invoice and make your payment quickly and easily. Tell us (through e-mail) the name of the input or inputs that interests you. // La información relacionada con este post en venta por US $ 10.00. Usted puede hacer pagos a través de cuenta PayPal: jorgemirez2002@gmail.com o enviar un e-mail para recibir la factura de PayPal y hacer su pago de forma rápida y sencilla. Díganos (por medio de email) el nombre de la entrada o entradas que le interese.
Dr. Jorge Luis Mírez Tarrillo
Group of Mathematical Modeling and Numerical Simulation (GMMNS).
Universidad Nacional de Ingeniería. Lima, Perú.
E-mail: jmirez@uni.edu.pe
Website Personal: https://jorgemirez2002.wixsite.com/jorgemirez
Facebook http://www.facebook.com/jorgemirezperu
Linkedin https://www.linkedin.com/in/jorge-luis-mirez-tarrillo-94918423/
Scopus ID: https://www.scopus.com/authid/detail.uri?authorId=56488109800
Google Scholar: https://scholar.google.com/citations?user=_dSpp4YAAAAJ
MATLAB Group Admin in Facebook: https://www.facebook.com/groups/Matlab.Simulink.for.All
WhatsApp Channel/Canal: https://whatsapp.com/channel/0029VbCvpZsAYlUSz2esek2y
En su gran mayoría, la conversión de la energía disponible en el eje del rotor en otra forma de energía, se realiza mediante dispositivos ubicados sobre la torre. Tal es el caso de las turbinas eólicas destinadas a la producción de electricidad donde el generador eléctrico, acoplado al eje del rotor a través de un multiplicador, está localizado en la góndola.
Las denominadas máquinas rápidas, con palas de perfil aerodinámico y casi exclusivamente empleadas para generación de electricidad, tienen rotores de 1 a 3 palas que, según los diseños, están ubicados a popa (sotavento) o a proa (barlovento) de la góndola. Los rotores con palas a popa en principio no requieren de sistemas de orientación pues las fuerzas en juego tienden a orientarlo naturalmente, aunque en máquinas de gran tamaño se prefiere emplearlos para evitar los «cabeceos» que someterían las palas a vibraciones perjudiciales. En el caso de palas a proa los sistemas de orientación son imprescindibles; en molinos pequeños se emplean las clásicas colas de orientación pero en los grandes se prefieren los servomecanismos
Existen diferentes modos de prevenir aumentos descontrolados de la velocidad de rotación del rotor en presencia de vientos fuertes, o de regularla ante condiciones variables de la carga. Ellos van desde el cambio de paso, o «calaje» de las palas, la utilización de «flaps» que se abren y aumentan la resistencia al viento, hasta dispositivos que desplazan el rotor de su orientación ideal logrando que aumenten las pérdidas aerodinámicas. Prácticamente todas las máquinas disponen de dispositivos de frenado para poder detenerlas bajo condiciones extremas de viento o efectuar reparaciones. En las máquinas relativamente pequeñas a veces se evitan estos mecanismos pues, resulta más barato diseñarlas para soportar los máximos vientos, que adicionar sistemas de frenado.
Los rotores multipala, tipo americano, tienen por uso casi excluyente el bombeo de agua. Su alto par de arranque y su relativo bajo costo los hace muy aptos para accionar bombas de pistón. Se estima que en el mundo existen más de 1.000.000 de molinos de este tipo en operación
The information related to this post for sale for US $ 10.00. You can make payments through PayPal account: jorgemirez2002@gmail.com or send an e-mail to receive PayPal invoice and make your payment quickly and easily. Tell us (through e-mail) the name of the input or inputs that interests you. // La información relacionada con este post en venta por US $ 10.00. Usted puede hacer pagos a través de cuenta PayPal: jorgemirez2002@gmail.com o enviar un e-mail para recibir la factura de PayPal y hacer su pago de forma rápida y sencilla. Díganos (por medio de email) el nombre de la entrada o entradas que le interese.
Dr. Jorge Luis Mírez Tarrillo
Group of Mathematical Modeling and Numerical Simulation (GMMNS).
Universidad Nacional de Ingeniería. Lima, Perú.
E-mail: jmirez@uni.edu.pe
Website Personal: https://jorgemirez2002.wixsite.com/jorgemirez
Facebook http://www.facebook.com/jorgemirezperu
Linkedin https://www.linkedin.com/in/jorge-luis-mirez-tarrillo-94918423/
Scopus ID: https://www.scopus.com/authid/detail.uri?authorId=56488109800
Google Scholar: https://scholar.google.com/citations?user=_dSpp4YAAAAJ
MATLAB Group Admin in Facebook: https://www.facebook.com/groups/Matlab.Simulink.for.All
WhatsApp Channel/Canal: https://whatsapp.com/channel/0029VbCvpZsAYlUSz2esek2y
Hola mis preciados lectores, en algún momento coloque una figura similar, considero que esta tiene elementos adicionales bastante importantes a detallar: Los molinos de eje horizontal son los más difundidos y los que han permitido obtener las mayores eficiencias de conversión, en la figura se puede apreciar como los aerogeneradores de eje horizontal tienen mayores valores de coeficiente de potencia, lo que se traduce en mejores eficiencias. También se dibuja el límite de Glauert, los progresos van desde varios frentes; uno de ellos son los relacionados a procesos de simulación y modelamiento.
The information related to this post for sale for US $ 10.00. You can make payments through PayPal account: jorgemirez2002@gmail.com or send an e-mail to receive PayPal invoice and make your payment quickly and easily. Tell us (through e-mail) the name of the input or inputs that interests you. // La información relacionada con este post en venta por US $ 10.00. Usted puede hacer pagos a través de cuenta PayPal: jorgemirez2002@gmail.com o enviar un e-mail para recibir la factura de PayPal y hacer su pago de forma rápida y sencilla. Díganos (por medio de email) el nombre de la entrada o entradas que le interese.
Dr. Jorge Luis Mírez Tarrillo
Group of Mathematical Modeling and Numerical Simulation (GMMNS).
Universidad Nacional de Ingeniería. Lima, Perú.
E-mail: jmirez@uni.edu.pe
Website Personal: https://jorgemirez2002.wixsite.com/jorgemirez
Facebook http://www.facebook.com/jorgemirezperu
Linkedin https://www.linkedin.com/in/jorge-luis-mirez-tarrillo-94918423/
Scopus ID: https://www.scopus.com/authid/detail.uri?authorId=56488109800
Google Scholar: https://scholar.google.com/citations?user=_dSpp4YAAAAJ
MATLAB Group Admin in Facebook: https://www.facebook.com/groups/Matlab.Simulink.for.All
WhatsApp Channel/Canal: https://whatsapp.com/channel/0029VbCvpZsAYlUSz2esek2y
Como se sabe, la energía depende de la potencia y del tiempo y, como se verá más adelante, la potencia a extraer del viento depende del cubo de la velocidad. Las variaciones en intervalos de tiempo menores son aún más acusadas y son caracterizadas también por la presencia de Rachas de Viento que son incrementos rápidos del viento de corta duración. También existen incrementos o decrementos de la velocidad del viento en forma de rampa. El viento en el área de las palas puede estar influido por la presencia del fenómeno denominado Turbulencia que consiste en variaciones muy rápidas de la magnitud y el sentido de la velocidad del viento. En otras ocasiones, la velocidad del viento es más estable y podemos decir que estamos en presencia de un Flujo Laminar. En la zona de la pala el campo de velocidades se hace más complicado tal como se muestra en la figura (parte superior) y su rotación provoca el denominado Efecto de Estela que puede entenderse observando la figura (parte inferior).
The information related to this post for sale for US $ 10.00. You can make payments through PayPal account: jorgemirez2002@gmail.com or send an e-mail to receive PayPal invoice and make your payment quickly and easily. Tell us (through e-mail) the name of the input or inputs that interests you. // La información relacionada con este post en venta por US $ 10.00. Usted puede hacer pagos a través de cuenta PayPal: jorgemirez2002@gmail.com o enviar un e-mail para recibir la factura de PayPal y hacer su pago de forma rápida y sencilla. Díganos (por medio de email) el nombre de la entrada o entradas que le interese.
Dr. Jorge Luis Mírez Tarrillo
Group of Mathematical Modeling and Numerical Simulation (GMMNS).
Universidad Nacional de Ingeniería. Lima, Perú.
E-mail: jmirez@uni.edu.pe
Website Personal: https://jorgemirez2002.wixsite.com/jorgemirez
Facebook http://www.facebook.com/jorgemirezperu
Linkedin https://www.linkedin.com/in/jorge-luis-mirez-tarrillo-94918423/
Scopus ID: https://www.scopus.com/authid/detail.uri?authorId=56488109800
Google Scholar: https://scholar.google.com/citations?user=_dSpp4YAAAAJ
MATLAB Group Admin in Facebook: https://www.facebook.com/groups/Matlab.Simulink.for.All
WhatsApp Channel/Canal: https://whatsapp.com/channel/0029VbCvpZsAYlUSz2esek2y
El viento se genera por el calentamiento desigual que sufre la tierra. En las regiones ecuatoriales se produce una mayor absorción de radiación solar que en las polares; por estas razones el calentamiento es más intenso cerca del ecuador y durante el día, esto quiere decir que las zonas más calientes se mueven sobre la superficie de la tierra en su movimiento de rotación. Generalmente el aire caliente sube, para después circular por la parte superior de la atmósfera y caer en las zonas más frías. A nivel del suelo la circulación es en sentido inverso. El efecto combinado del desigual calentamiento de la tierra y de las fuerzas centrífugas y de Coriolis debidas a la rotación, da lugar a vientos a escala terráquea, con unas tendencias más o menos permanentes.
Un fenómeno similar sucede en zonas montañosas donde las brisas de montaña y de valle son originadas por el calentamiento del aire en contacto con las laderas.
A lo largo de un año las variaciones estacionales de la radiación solar incidente provocan cambios en la intensidad y dirección de los vientos dominantes en cada uno de los puntos de la corteza terrestre.
The information related to this post for sale for US $ 10.00. You can make payments through PayPal account: jorgemirez2002@gmail.com or send an e-mail to receive PayPal invoice and make your payment quickly and easily. Tell us (through e-mail) the name of the input or inputs that interests you. // La información relacionada con este post en venta por US $ 10.00. Usted puede hacer pagos a través de cuenta PayPal: jorgemirez2002@gmail.com o enviar un e-mail para recibir la factura de PayPal y hacer su pago de forma rápida y sencilla. Díganos (por medio de email) el nombre de la entrada o entradas que le interese.
Dr. Jorge Luis Mírez Tarrillo
Group of Mathematical Modeling and Numerical Simulation (GMMNS).
Universidad Nacional de Ingeniería. Lima, Perú.
E-mail: jmirez@uni.edu.pe
Website Personal: https://jorgemirez2002.wixsite.com/jorgemirez
Facebook http://www.facebook.com/jorgemirezperu
Linkedin https://www.linkedin.com/in/jorge-luis-mirez-tarrillo-94918423/
Scopus ID: https://www.scopus.com/authid/detail.uri?authorId=56488109800
Google Scholar: https://scholar.google.com/citations?user=_dSpp4YAAAAJ
MATLAB Group Admin in Facebook: https://www.facebook.com/groups/Matlab.Simulink.for.All
WhatsApp Channel/Canal: https://whatsapp.com/channel/0029VbCvpZsAYlUSz2esek2y
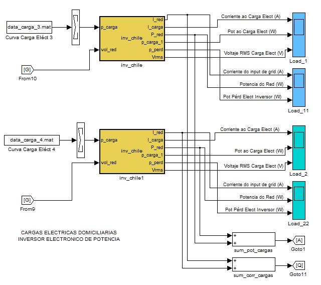
Este modelo ha ido mejorando en colaboración con colegas extranjeros, suena bien y vamos por buen camino… que sigamos progresando !! … están los componentes de la microgrid, esta es de corriente continua y alterna. Un escenario ha sido modelado a fin de ser considerado como estudio importante de un caso típico. La simulación se realiza en Matlab/Simulink de MathWorks Inc. El modelamiento se ha hecho en base a la literatura científica y libros de relevancia consultados….
The information related to this post for sale for US $ 2000.00. You can make payments through PayPal account: jorgemirez2002@gmail.com or send an e-mail to receive PayPal invoice and make your payment quickly and easily. Tell us (through e-mail) the name of the input or inputs that interests you. // La información relacionada con este post en venta por US $ 2000.00. Usted puede hacer pagos a través de cuenta PayPal: jorgemirez2002@gmail.com o enviar un e-mail para recibir la factura de PayPal y hacer su pago de forma rápida y sencilla. Díganos (por medio de email) el nombre de la entrada o entradas que le interese.
Dr. Jorge Luis Mírez Tarrillo
Group of Mathematical Modeling and Numerical Simulation (GMMNS).
Universidad Nacional de Ingeniería. Lima, Perú.
E-mail: jmirez@uni.edu.pe
Website Personal: https://jorgemirez2002.wixsite.com/jorgemirez
Facebook http://www.facebook.com/jorgemirezperu
Linkedin https://www.linkedin.com/in/jorge-luis-mirez-tarrillo-94918423/
Scopus ID: https://www.scopus.com/authid/detail.uri?authorId=56488109800
Google Scholar: https://scholar.google.com/citations?user=_dSpp4YAAAAJ
MATLAB Group Admin in Facebook: https://www.facebook.com/groups/Matlab.Simulink.for.All
WhatsApp Channel/Canal: https://whatsapp.com/channel/0029VbCvpZsAYlUSz2esek2y
El tamaño de las turbinas se va a ir incremento, esto es un hecho. Mejores materiales en los diferentes componentes de las turbinas han hecho posible que cada vez una sola unidad pueda producir varios MW de potencia eléctrica. La comparación es el tamaño de un avión comercial. Es un reto tecnológico el desarrollar turbinas cada vez más grandes y que sean seguras, fiables y económicas. Las universidades, institutos de investigación y laboratorios de las empresas que fabrican estas cosas, van en un carrera que involucra la continuidad de su producción, el mercado que abarcan, las tendencias de uso de energías renovables y la continuidad de su existencia. Favor si hay oportunidad en alguna de esas empresas constructoras de turbinas eólicas para trabajar, me pasan la voz 🙂 … caso adicional, es a quienes desean hacer simulaciones en Matlab/Simulink y desean que les asesore me escriben…
The information related to this post for sale for US $ 10.00. You can make payments through PayPal account: jorgemirez2002@gmail.com or send an e-mail to receive PayPal invoice and make your payment quickly and easily. Tell us (through e-mail) the name of the input or inputs that interests you. // La información relacionada con este post en venta por US $ 10.00. Usted puede hacer pagos a través de cuenta PayPal: jorgemirez2002@gmail.com o enviar un e-mail para recibir la factura de PayPal y hacer su pago de forma rápida y sencilla. Díganos (por medio de email) el nombre de la entrada o entradas que le interese.
Dr. Jorge Luis Mírez Tarrillo
Group of Mathematical Modeling and Numerical Simulation (GMMNS).
Universidad Nacional de Ingeniería. Lima, Perú.
E-mail: jmirez@uni.edu.pe
Website Personal: https://jorgemirez2002.wixsite.com/jorgemirez
Facebook http://www.facebook.com/jorgemirezperu
Linkedin https://www.linkedin.com/in/jorge-luis-mirez-tarrillo-94918423/
Scopus ID: https://www.scopus.com/authid/detail.uri?authorId=56488109800
Google Scholar: https://scholar.google.com/citations?user=_dSpp4YAAAAJ
MATLAB Group Admin in Facebook: https://www.facebook.com/groups/Matlab.Simulink.for.All
WhatsApp Channel/Canal: https://whatsapp.com/channel/0029VbCvpZsAYlUSz2esek2y
En la presente doy a saber los porcentajes de penetración de la energía eólica según estado de los EEUU (USA). Para tener mejor apreciación también hay un figura en que se lee las potencias instaladas en turbinas eólicas en cada estado. Es de notar que estamos hablando de varios MW instalados, lo que involucra también por ende, varios parques eólicos instalados en el territorio americano. De hecho cada año cambian estos porcentajes y principalmente las potencias instaladas. Pero estas figuras dan una primera imagen, a comparar en el futuro con los mismos estados, o que sirva de referencia en otros países.
The information related to this post for sale for US $ 10.00. You can make payments through PayPal account: jorgemirez2002@gmail.com or send an e-mail to receive PayPal invoice and make your payment quickly and easily. Tell us (through e-mail) the name of the input or inputs that interests you. // La información relacionada con este post en venta por US $ 10.00. Usted puede hacer pagos a través de cuenta PayPal: jorgemirez2002@gmail.com o enviar un e-mail para recibir la factura de PayPal y hacer su pago de forma rápida y sencilla. Díganos (por medio de email) el nombre de la entrada o entradas que le interese.
Dr. Jorge Luis Mírez Tarrillo
Group of Mathematical Modeling and Numerical Simulation (GMMNS).
Universidad Nacional de Ingeniería. Lima, Perú.
E-mail: jmirez@uni.edu.pe
Website Personal: https://jorgemirez2002.wixsite.com/jorgemirez
Facebook http://www.facebook.com/jorgemirezperu
Linkedin https://www.linkedin.com/in/jorge-luis-mirez-tarrillo-94918423/
Scopus ID: https://www.scopus.com/authid/detail.uri?authorId=56488109800
Google Scholar: https://scholar.google.com/citations?user=_dSpp4YAAAAJ
MATLAB Group Admin in Facebook: https://www.facebook.com/groups/Matlab.Simulink.for.All
WhatsApp Channel/Canal: https://whatsapp.com/channel/0029VbCvpZsAYlUSz2esek2y
La energía eólica se incrementa su uso a nivel mundial, algunos países tienen una alta penetración de la energía eólica en sus respectivos sistemas eléctricos interconectados. Con penetración eólica se refiere a la cantidad en porcentaje de energía que se aporta desde parques eólicos en relación con lo que se necesita para abastecer las cargas eléctricas conectadas a un sistema eléctrico. La presencia de aerogeneradores trae consigo diferentes nuevos retos en el control y protección de los sistemas eléctricos de potencia. El criterio general es que mientras más robusto sea el sistema, la influencia es menor. Sin embargo, paises como Dinamarca tienen un alto grado de penetración. Paises como los de América Latina, aún se discute si ello es posible o si conviene o no conviene, quizás por falta de conocimiento de la técnica, quizás porque aún los ingresos estatales provenientes de impuestos a combustibles induce a seguir quemando combustibles fósiles para mantener la caja fiscal en positivo y que permita un flujo constantes de ingresos al Estado.
The information related to this post for sale for US $ 10.00. You can make payments through PayPal account: jorgemirez2002@gmail.com or send an e-mail to receive PayPal invoice and make your payment quickly and easily. Tell us (through e-mail) the name of the input or inputs that interests you. // La información relacionada con este post en venta por US $ 10.00. Usted puede hacer pagos a través de cuenta PayPal: jorgemirez2002@gmail.com o enviar un e-mail para recibir la factura de PayPal y hacer su pago de forma rápida y sencilla. Díganos (por medio de email) el nombre de la entrada o entradas que le interese.
Dr. Jorge Luis Mírez Tarrillo
Group of Mathematical Modeling and Numerical Simulation (GMMNS).
Universidad Nacional de Ingeniería. Lima, Perú.
E-mail: jmirez@uni.edu.pe
Website Personal: https://jorgemirez2002.wixsite.com/jorgemirez
Facebook http://www.facebook.com/jorgemirezperu
Linkedin https://www.linkedin.com/in/jorge-luis-mirez-tarrillo-94918423/
Scopus ID: https://www.scopus.com/authid/detail.uri?authorId=56488109800
Google Scholar: https://scholar.google.com/citations?user=_dSpp4YAAAAJ
MATLAB Group Admin in Facebook: https://www.facebook.com/groups/Matlab.Simulink.for.All
WhatsApp Channel/Canal: https://whatsapp.com/channel/0029VbCvpZsAYlUSz2esek2y
Llego a esta entrada y veo que sigue habiendo mucho por compartir. Las turbina eólicas offshore, es decir, aquellas que se colocan en mar, se han implementado en muchos países y cada vez su uso se expande (es la tendencia mundial ir a fuentes de energías renovables). Sin embargo, su configuración cambia de acuerdo a la profundidad a la que se encuentra el suelo marino desde la superficie del agua. La figura muestra configuraciones típicas de turbinas eólicas offshore. Un análisis local de las velocidades de viento, características hidrodinámicas de las corrientes del mar durante un año típico, tráfico naval, entre otros… afinan los criterios de diseño e implementación de un parque eólico offshore.
The information related to this post for sale for US $ 10.00. You can make payments through PayPal account: jorgemirez2002@gmail.com or send an e-mail to receive PayPal invoice and make your payment quickly and easily. Tell us (through e-mail) the name of the input or inputs that interests you. // La información relacionada con este post en venta por US $ 10.00. Usted puede hacer pagos a través de cuenta PayPal: jorgemirez2002@gmail.com o enviar un e-mail para recibir la factura de PayPal y hacer su pago de forma rápida y sencilla. Díganos (por medio de email) el nombre de la entrada o entradas que le interese.
Dr. Jorge Luis Mírez Tarrillo
Group of Mathematical Modeling and Numerical Simulation (GMMNS).
Universidad Nacional de Ingeniería. Lima, Perú.
E-mail: jmirez@uni.edu.pe
Website Personal: https://jorgemirez2002.wixsite.com/jorgemirez
Facebook http://www.facebook.com/jorgemirezperu
Linkedin https://www.linkedin.com/in/jorge-luis-mirez-tarrillo-94918423/
Scopus ID: https://www.scopus.com/authid/detail.uri?authorId=56488109800
Google Scholar: https://scholar.google.com/citations?user=_dSpp4YAAAAJ
MATLAB Group Admin in Facebook: https://www.facebook.com/groups/Matlab.Simulink.for.All
WhatsApp Channel/Canal: https://whatsapp.com/channel/0029VbCvpZsAYlUSz2esek2y
a todos quienes desean apoyar para hacer posible esta estadía (12 al 27 Abril) en elMars Desert Research Station, favor lo hagan a:
JORGE LUIS MIREZ TARRILLO
Cuenta BANCO DE CREDITO DEL PERU
Nro de cuenta en Soles: 191-26990096-0-21
CCI de Cuenta en Soles: 002-191-126990096021-52
Nro de cuenta en dólares: 191-26990126-1-52
CCI de cuenta en dólares: 002-191-126990126152-59
o si el apoyo es en pasajes favor coordinamos…
entre pasajes,derechos de inscripción, comida, bolsa de viaje, cuestión de experimentos un total de 13500 nuevos soles (US$ 4900), si se puede!! please, es bienvenido el apoyo cualquiera que sea… de hecho que llevaré bandera chotana (si logro ir)
Documento de aceptación de participación: 001_Crew_140_Invitation
Detalles del evento: 005_detalles_del_evento
Plan de Participación 004_plan_de_participacion
Cronograma de viaje:
Lima PERU –> Los Angeles USA = 6 de abril 2014 (entrenamiento de 5 días en Los Angeles)
Los Angeles –> Gran Junction CO = 11 de Abril del 2014
Grand Junction CO –> Lima PERU = 28 de Abril del 2014
Dr. Jorge Luis Mírez Tarrillo
Group of Mathematical Modeling and Numerical Simulation (GMMNS).
Universidad Nacional de Ingeniería. Lima, Perú.
E-mail: jmirez@uni.edu.pe
Website Personal: https://jorgemirez2002.wixsite.com/jorgemirez
Facebook http://www.facebook.com/jorgemirezperu
Linkedin https://www.linkedin.com/in/jorge-luis-mirez-tarrillo-94918423/
Scopus ID: https://www.scopus.com/authid/detail.uri?authorId=56488109800
Google Scholar: https://scholar.google.com/citations?user=_dSpp4YAAAAJ
MATLAB Group Admin in Facebook: https://www.facebook.com/groups/Matlab.Simulink.for.All
WhatsApp Channel/Canal: https://whatsapp.com/channel/0029VbCvpZsAYlUSz2esek2y
La figura refleja los principales componentes que tiene un parque eólico, centrado principalmente en cada turbina eólica, los cuales recogen o capturan parte de la energía contenida en el viento para poder transformarla en energía eléctrica. Desde la primera interacción del viento con la turbina, entran a tallar el control de la turbina, las interfaces adecuadas que transmiten la energía hacia cada unidad de transformación; todo ello, bajo el mando y control de la Unidad Controlador. Pero esto no es que trabaja por su lado, tiene una interacción fuerte con las condiciones de operación de la red, las cuales coordinan con cada Controlador de cada turbina eólica. Esta comunicación y retroalimentación, permite que se cumplan las exigecias de las normas de calidad eléctrica.
The information related to this post for sale for US $ 10.00. You can make payments through PayPal account: jorgemirez2002@gmail.com or send an e-mail to receive PayPal invoice and make your payment quickly and easily. Tell us (through e-mail) the name of the input or inputs that interests you. // La información relacionada con este post en venta por US $ 10.00. Usted puede hacer pagos a través de cuenta PayPal: jorgemirez2002@gmail.com o enviar un e-mail para recibir la factura de PayPal y hacer su pago de forma rápida y sencilla. Díganos (por medio de email) el nombre de la entrada o entradas que le interese.
Dr. Jorge Luis Mírez Tarrillo
Group of Mathematical Modeling and Numerical Simulation (GMMNS).
Universidad Nacional de Ingeniería. Lima, Perú.
E-mail: jmirez@uni.edu.pe
Website Personal: https://jorgemirez2002.wixsite.com/jorgemirez
Facebook http://www.facebook.com/jorgemirezperu
Linkedin https://www.linkedin.com/in/jorge-luis-mirez-tarrillo-94918423/
Scopus ID: https://www.scopus.com/authid/detail.uri?authorId=56488109800
Google Scholar: https://scholar.google.com/citations?user=_dSpp4YAAAAJ
MATLAB Group Admin in Facebook: https://www.facebook.com/groups/Matlab.Simulink.for.All
WhatsApp Channel/Canal: https://whatsapp.com/channel/0029VbCvpZsAYlUSz2esek2y
Encontré que en Canadá también se hace un fuerte implementación de la energía eólica… obvio en países desarrollados más cuenta el sentimiento de «no deseo contaminar quemando petróleo u otro combustible fósil o nuclear para la generación de calor y electricidad», añadido a un pensamiento de que «deseo un ambiente más limpio para las nuevas generaciones» que en comparación a países del Tercer Mundo u en desarrollo en que se habla de que está bien… eso de implementar renovables suena bien, hacemos algo de salvaguarda de la ecología, pero … esto cuanto cuesta ? resulta rentable ? … y cosas así. En la gráfica se muestra los valores en barras negras de energía implementada y la roja la predicha en Canadá.
The information related to this post for sale for US $ 10.00. You can make payments through PayPal account: jorgemirez2002@gmail.com or send an e-mail to receive PayPal invoice and make your payment quickly and easily. Tell us (through e-mail) the name of the input or inputs that interests you. // La información relacionada con este post en venta por US $ 10.00. Usted puede hacer pagos a través de cuenta PayPal: jorgemirez2002@gmail.com o enviar un e-mail para recibir la factura de PayPal y hacer su pago de forma rápida y sencilla. Díganos (por medio de email) el nombre de la entrada o entradas que le interese.
Dr. Jorge Luis Mírez Tarrillo
Group of Mathematical Modeling and Numerical Simulation (GMMNS).
Universidad Nacional de Ingeniería. Lima, Perú.
E-mail: jmirez@uni.edu.pe
Website Personal: https://jorgemirez2002.wixsite.com/jorgemirez
Facebook http://www.facebook.com/jorgemirezperu
Linkedin https://www.linkedin.com/in/jorge-luis-mirez-tarrillo-94918423/
Scopus ID: https://www.scopus.com/authid/detail.uri?authorId=56488109800
Google Scholar: https://scholar.google.com/citations?user=_dSpp4YAAAAJ
MATLAB Group Admin in Facebook: https://www.facebook.com/groups/Matlab.Simulink.for.All
WhatsApp Channel/Canal: https://whatsapp.com/channel/0029VbCvpZsAYlUSz2esek2y





















Debe estar conectado para enviar un comentario.