Archive for the ‘inversor eléctrico’ Category
“MATLAB/SIMULINK Y APLICACIONES EN ENERGIAS RENOVABLES”
Por:
Jorge L. Mírez Tarrillo
Ing Mecánico Electricista
Maestro en Ciencias, mención en Física
Blog sobre Matlab/Simulink y Energías Renovables: http://jmirez.wordpress.com
Duración: 30 horas. Costo: US$ 550
| Módulo Nro. |
Tema | Nro. de horas |
OBS. |
| 1 | Introducción a Matlab: Las cuatro operaciones, declaración de variables, creación y uso de carpetas, uso de ejemplos, etc. | 4 | PDF US$ 50 |
| 2 | Introducción a Simulink: creación de archivos, uso de carpetas, creación de modelos simples en Simulink | 4 | PDF US$ 50 |
| 3 | Creación de funciones en Matlab/Simulink: uso de principales comandas. | 4 | PDF US$ 50 |
| 4 | Desarrollo de modelos en Simulink con funciones. | 4 | PDF US$ 50 |
| 5 | Desarrollo de aplicaciones de Simulink en energía eólica. | 3.5 | PDF US$ 100 |
| 6 | Desarrollo de aplicaciones de Simulink en energía solar, transformador, rectificadores e inversores. | 3.5 | PDF US$ 100 |
| 7 | Simulink aplicado a baterías y cargas. | 3.5 | PDF US$ 50 |
| 8 | Repaso general del curso y reforzamiento con ejercicios finales. | 3.5 | PDF US$ 100 |
Requisitos:
|
|||
Forma de Trabajo:
|
|||
| Actualizado: | 05 / 02 / 2011 | ||
| JORGE MIREZ | |||
| Telf. Cel.: (0051) 988063239 – RPM *550136 PERU | jorgemirez2002@gmail.com | ||
En todos los módulos se dispondrà de horas adicionales (como soporte) para reforzamiento, consulta de dudas y
el recibir email con preguntas.
Tambièn se dan asesoramiento de tesis de pregrado y postgrado. Los precios por asesorias se coordina via teléfono, email, chat o Skype
Atentamente:
JORGE MIREZ
Dr. Jorge Luis Mírez Tarrillo
Group of Mathematical Modeling and Numerical Simulation (GMMNS).
Universidad Nacional de Ingeniería. Lima, Perú.
E-mail: jmirez@uni.edu.pe
Website Personal: https://jorgemirez2002.wixsite.com/jorgemirez
Facebook http://www.facebook.com/jorgemirezperu
Linkedin https://www.linkedin.com/in/jorge-luis-mirez-tarrillo-94918423/
Scopus ID: https://www.scopus.com/authid/detail.uri?authorId=56488109800
Google Scholar: https://scholar.google.com/citations?user=_dSpp4YAAAAJ
MATLAB Group Admin in Facebook: https://www.facebook.com/groups/Matlab.Simulink.for.All
WhatsApp Channel/Canal: https://whatsapp.com/channel/0029VbCvpZsAYlUSz2esek2y
Segundo último minuto: Lunes 3 de Enero 2011 – Sustentación (Defensa) de Tesis de Maestría de Jorge Mírez
El horario es las 3pm
En la Universidad Nacional de Ingenierìa en Lima PERU.
Pero este mièrcoles 29 de Diciembre tenemos una presentación previa del tema que voy desarrollando, será a las 9am en la Aula R2-303 (Ciencias de la Computación) en la Facultad de Ciencias de la UNiversidad Nacional de INgenierìa, entrar por la puerta 5 (frente a la Av Honorio Delgado [estación Honorio Delgado del Metropolitano]), como es una reuniòn previa podemos interactuar con mayor libertad entre ponente y asistentes. Quedan invitados.
Saludos cordiales.
Jorge Mírez.
Dr. Jorge Luis Mírez Tarrillo
Group of Mathematical Modeling and Numerical Simulation (GMMNS).
Universidad Nacional de Ingeniería. Lima, Perú.
E-mail: jmirez@uni.edu.pe
Website Personal: https://jorgemirez2002.wixsite.com/jorgemirez
Facebook http://www.facebook.com/jorgemirezperu
Linkedin https://www.linkedin.com/in/jorge-luis-mirez-tarrillo-94918423/
Scopus ID: https://www.scopus.com/authid/detail.uri?authorId=56488109800
Google Scholar: https://scholar.google.com/citations?user=_dSpp4YAAAAJ
MATLAB Group Admin in Facebook: https://www.facebook.com/groups/Matlab.Simulink.for.All
WhatsApp Channel/Canal: https://whatsapp.com/channel/0029VbCvpZsAYlUSz2esek2y
Saludos amigos(as)
Por motivos de fuerza mayor, la fecha de sustentación (defensa) de mi tesis de Maestría en Física se ha trasladado para ser hecho o el lunes 3 de enero o el martes 4 de enero del 2011. Días no cambiables, así que los que desean estar en este acto (acontecimiento) pogramen su agenda.
Ya como saben, la defensa de tesis se realizará en la Universidad Nacional de Ingenierìa ubicado en la Av. Túpac Amaru s/n, LIMA – PERU, tienen que entrar por la puerta 5.
Atte.
Jorge Mírez
Dr. Jorge Luis Mírez Tarrillo
Group of Mathematical Modeling and Numerical Simulation (GMMNS).
Universidad Nacional de Ingeniería. Lima, Perú.
E-mail: jmirez@uni.edu.pe
Website Personal: https://jorgemirez2002.wixsite.com/jorgemirez
Facebook http://www.facebook.com/jorgemirezperu
Linkedin https://www.linkedin.com/in/jorge-luis-mirez-tarrillo-94918423/
Scopus ID: https://www.scopus.com/authid/detail.uri?authorId=56488109800
Google Scholar: https://scholar.google.com/citations?user=_dSpp4YAAAAJ
MATLAB Group Admin in Facebook: https://www.facebook.com/groups/Matlab.Simulink.for.All
WhatsApp Channel/Canal: https://whatsapp.com/channel/0029VbCvpZsAYlUSz2esek2y
Siguiendo con el recuento de casos posibles, esta en la que las baterias son instaladas con una carga inicial, pero las condiciones del medio no permiten procesos de carga, es decir, las cargas sólo se van a proveer de lo que se genera en las centrales renovables y lo que se dispone de las baterias, en último caso harán la suplencia de energía de la red convencional, pero en esta entrada solo se visualiza la descarga de baterías.
Se ha modificado un poco las entradas que les presente a continuación:
En la parte de aerogeneración se ha reducido una unidad para crear las condiciones del caso, se tiene entonces que:
Se ha colocado un valor incial de las cargas de baterías con la que se inicia el proceso de simulación, podemos ver que:

El balance de potencias tanto de generadores, cargas y almacenamiento queda de la siguiente manera:
Y en detalle de lo que sucede en la fuente de almacenamiento de energía (baterias) las variables se comportan de la siguiente manera:
Esto permite tomar muchos criterios en base a un posible funcionamiento de esta microgrid (smart-grid). Saludos y escribanme al email.
Dr. Jorge Luis Mírez Tarrillo
Group of Mathematical Modeling and Numerical Simulation (GMMNS).
Universidad Nacional de Ingeniería. Lima, Perú.
E-mail: jmirez@uni.edu.pe
Website Personal: https://jorgemirez2002.wixsite.com/jorgemirez
Facebook http://www.facebook.com/jorgemirezperu
Linkedin https://www.linkedin.com/in/jorge-luis-mirez-tarrillo-94918423/
Scopus ID: https://www.scopus.com/authid/detail.uri?authorId=56488109800
Google Scholar: https://scholar.google.com/citations?user=_dSpp4YAAAAJ
MATLAB Group Admin in Facebook: https://www.facebook.com/groups/Matlab.Simulink.for.All
WhatsApp Channel/Canal: https://whatsapp.com/channel/0029VbCvpZsAYlUSz2esek2y
Hola, nuevamente… no se olviden de enviar sus comentarios, eso es constructivo. Bueno, siguiendo con el modelamiento de casos posibles en una microgrid, les presento en la que la fuente de almacenamiento esta nula, no se han dado las condiciones necesarias para carga de baterías… Bueno no se ven pero aca les presento los datos de entrada:
Bueno el resto de equipos en la microgrid siguen igual (ver entradas anteriores) y bueno lo que hay que tener en consideración es la fuente de almacenamiento la cual tiene que tener la condicion de que en caso de agotamiento de energía almacenada tiene que resignarse a dar la orden para que la microgrid se alimente de la red convencional, no haga procesos de carga ni de descarga. El esquema del banco de baterías lo presento en la siguiente figura:
Entonces ahora nos toca ver resultados, es algo dificil crear estas condiciones cuando no se tienen muchos datos de campo, es por ello, que si algun lector tenga medidas de cada segundo si esposible de radiacion solar, temperatura y velocidad de viento, altura sobre el nivel del mar y curvas de demanda eléctrica de cargas involucradas, favor enviarlo.
Muestro a continuación el diagrama de potencias de todas las fuentes y cargas involucradas en la microgrid en estudio bajo la condición definida de baterias agotadas.
Como verán las baterías están en una condición de agotados por que las condiciones de voltaje de la microgrid no son las adecuadas. Por lo tanto, se tiene que reflejar que la potencia faltante tiene que provenir desde la fuente convencional de energía. Les muestro el resultado del transformador, en la siguiente figura:
Podrán ver, la corriente en el primario del transformador que permite calcular la dimensión del cable de la red primaria, también esta la corriente del secundario que implica el dimensionamiento del transformador junto con la potencia a circular a través de él.
Gracias por su lectura y por favor envíen sus comentarios o datos para poder simular bajo las condiciones de su localidad, ciudad o potenciales aplicaciones.
Dr. Jorge Luis Mírez Tarrillo
Group of Mathematical Modeling and Numerical Simulation (GMMNS).
Universidad Nacional de Ingeniería. Lima, Perú.
E-mail: jmirez@uni.edu.pe
Website Personal: https://jorgemirez2002.wixsite.com/jorgemirez
Facebook http://www.facebook.com/jorgemirezperu
Linkedin https://www.linkedin.com/in/jorge-luis-mirez-tarrillo-94918423/
Scopus ID: https://www.scopus.com/authid/detail.uri?authorId=56488109800
Google Scholar: https://scholar.google.com/citations?user=_dSpp4YAAAAJ
MATLAB Group Admin in Facebook: https://www.facebook.com/groups/Matlab.Simulink.for.All
WhatsApp Channel/Canal: https://whatsapp.com/channel/0029VbCvpZsAYlUSz2esek2y
Hola, hice el modelamiento de una microgrid (smartgrid) en la que había un sobrante de potencia y que bueno hay que reinyectarlo en la red convencional (venderlo a la empresa de distribución) o utilizarlo en alguna otra cosa.
El modelo utilizado es el mismo que he presentado en anteriores entradas, mas he modicado el número de aerogeneradores, como se muestra en la siguiente figura:
Luego de esto les presento la siguiente figura en donde se observa todas las potencias, tanto en generación, consumo, almacenamiento.
Más es preciso detallar lo que es el almacenamiento de energía, puesto que mientras haya energia disponible se irá aculumando. Pero como se observa en el siguiente gráfico, se llega al tope de almacenamiento.
Considerando que el tope de almacenamiento de la energía ha sido hecho, tenemos que pensar en cuanta potencia esta sobrando y cuanta energia se está potencialmente vendiendo a la red convencional o se puede utilizar en otras formas como: calentamiento de agua, calor en procesos de biomasa, otras formas de almacenar energía o quizas ese sobrante se está despachando hacia otra microgrid (smartgrid). A continuación les presente la figura que representa potencia y energia que sobra de la microgrid (smartgrid).
A la izquierda de la figura es la potencia en watts a la derecha la energía en Wh. El Matlab/simulink puede fácilmente acomodar las unidades, asi que no nos hagamos problemas por lo mismo. La intención de la presente simulación es mostrar los resultados que son posibles hacerlos y que permite un avance en el criterio técnico a seguir en aplicaciones de prueba, experimentales o de prototipo.
Ciertamente que la herramienta informática, a falta de medios para experimentación, sirve bastante, es más barata y bueno, eso sí, hay que darse el tiempo para revisar bibliografia, papers, normas, noticias, revistas, etc… todo una emoción.
Dr. Jorge Luis Mírez Tarrillo
Group of Mathematical Modeling and Numerical Simulation (GMMNS).
Universidad Nacional de Ingeniería. Lima, Perú.
E-mail: jmirez@uni.edu.pe
Website Personal: https://jorgemirez2002.wixsite.com/jorgemirez
Facebook http://www.facebook.com/jorgemirezperu
Linkedin https://www.linkedin.com/in/jorge-luis-mirez-tarrillo-94918423/
Scopus ID: https://www.scopus.com/authid/detail.uri?authorId=56488109800
Google Scholar: https://scholar.google.com/citations?user=_dSpp4YAAAAJ
MATLAB Group Admin in Facebook: https://www.facebook.com/groups/Matlab.Simulink.for.All
WhatsApp Channel/Canal: https://whatsapp.com/channel/0029VbCvpZsAYlUSz2esek2y
En una entrada anterior hable sobre los inversores multinivel y habìa copiado algunos resultados encontrados en la red. Pero, acá estoy colocando la señal de salida de un inversor multinivel. Como podrán ver la secuencia de escalones que realiza, permite aproximarse lo bastante bien a la señal de onda sinusoidal.
Hasta donde tengo conocimiento, los hay de 81 escalones (es la que presento), pero debe haber alguna forma de aumentar un poco mas de escalones y tener la señal perfecta. Si bien es cierto que puede ser bastante costoso y pesado, pero con el desarrollo de tecnologìas bien se puede con el tiempo hacerlo màs barato y asequible, sino hay que imaginar como era un telèfono celular en sus inicios; lo mismo se puede pensar en inversores, ya que las necesidades energèticas en corto plazo, apremian.
Dr. Jorge Luis Mírez Tarrillo
Group of Mathematical Modeling and Numerical Simulation (GMMNS).
Universidad Nacional de Ingeniería. Lima, Perú.
E-mail: jmirez@uni.edu.pe
Website Personal: https://jorgemirez2002.wixsite.com/jorgemirez
Facebook http://www.facebook.com/jorgemirezperu
Linkedin https://www.linkedin.com/in/jorge-luis-mirez-tarrillo-94918423/
Scopus ID: https://www.scopus.com/authid/detail.uri?authorId=56488109800
Google Scholar: https://scholar.google.com/citations?user=_dSpp4YAAAAJ
MATLAB Group Admin in Facebook: https://www.facebook.com/groups/Matlab.Simulink.for.All
WhatsApp Channel/Canal: https://whatsapp.com/channel/0029VbCvpZsAYlUSz2esek2y
Toda la microgrid debe trabajar de manera adecuada, y algún elemento de la microgrid se tiene que encargar de llevar la contabilidad de la energía, potencias y corrientes de cada uno de los elementos. Aca muestro el diagrama esquemático de ese supuesto control que tendría como paso final, servir como interfaz con las personas sobre lo que sucede en la microgrid. Se observa las potencias producidas, almacenadas, se muestra un balance de potencias, cuando es que hay exceso de potencia y se tiene que almacenar, cuando es que hay una falta de potencia y hay que ingresar por la subestación que interconecta con la red primaria de distribución de electricidad.
Dr. Jorge Luis Mírez Tarrillo
Group of Mathematical Modeling and Numerical Simulation (GMMNS).
Universidad Nacional de Ingeniería. Lima, Perú.
E-mail: jmirez@uni.edu.pe
Website Personal: https://jorgemirez2002.wixsite.com/jorgemirez
Facebook http://www.facebook.com/jorgemirezperu
Linkedin https://www.linkedin.com/in/jorge-luis-mirez-tarrillo-94918423/
Scopus ID: https://www.scopus.com/authid/detail.uri?authorId=56488109800
Google Scholar: https://scholar.google.com/citations?user=_dSpp4YAAAAJ
MATLAB Group Admin in Facebook: https://www.facebook.com/groups/Matlab.Simulink.for.All
WhatsApp Channel/Canal: https://whatsapp.com/channel/0029VbCvpZsAYlUSz2esek2y
En una sistema en donde existen energía renovables, pueda que haya un sobrante de energía producida. Esta de alguna manera se debe almacenar, para luego utilizarla cuando la producción de energía renovable sea insuficiente. El modelo presenta un banco de baterías y en los resultados está las corrientes de carga y descarga, las potencias de carga y descarga, tambi¿én la energía almacenada y el voltaje de la red. Debo mencionar que aca se ha trabajado bastante en modelar esta parte del sistema, toda vez que hay que considerar un tope de capacidad de almacenamiento, y los momentos oportunos de carga y descarga. También se involucra la energía almacenada y la energía entregada. Esta fuente de almacenamiento de energía trabaja coordinadamente con el resto del sistema distribuido de energía Microgrid.
Dr. Jorge Luis Mírez Tarrillo
Group of Mathematical Modeling and Numerical Simulation (GMMNS).
Universidad Nacional de Ingeniería. Lima, Perú.
E-mail: jmirez@uni.edu.pe
Website Personal: https://jorgemirez2002.wixsite.com/jorgemirez
Facebook http://www.facebook.com/jorgemirezperu
Linkedin https://www.linkedin.com/in/jorge-luis-mirez-tarrillo-94918423/
Scopus ID: https://www.scopus.com/authid/detail.uri?authorId=56488109800
Google Scholar: https://scholar.google.com/citations?user=_dSpp4YAAAAJ
MATLAB Group Admin in Facebook: https://www.facebook.com/groups/Matlab.Simulink.for.All
WhatsApp Channel/Canal: https://whatsapp.com/channel/0029VbCvpZsAYlUSz2esek2y
Una alegría es entregar a los visitantes de este blog esta entrada que es la número 101.
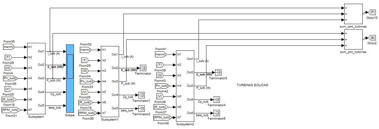
En el modelamiento con Simulink/Matlad de mi primera Microgrid de Energía N°1, contiene generación eólica, en la gráfica pueden observar que tengo cuatro aerogeneradores, ubicados en un mismo campo de velocidades de vientol. Pueden observar como resultados la potencia eléctrica que entrega el aerogenerador, la energía eléctrica producida, temperatura, velocidad del viento y corriente a la salida del generador. En este primer modelo de microgrid estoy considerando 4 aerogeneradores, pero mi diseño me permite quitar o aumentar más aerogeneradores para ver la funcionalidad de la microgrid. Una microgrid también es llamado Sistema Distribuido de Energía, en los que la generación con fuentes renovables está cerca de las cargas. Y en este caso, las cargas son un conjunto de domicilios , por lo potencia considerada.
Dr. Jorge Luis Mírez Tarrillo
Group of Mathematical Modeling and Numerical Simulation (GMMNS).
Universidad Nacional de Ingeniería. Lima, Perú.
E-mail: jmirez@uni.edu.pe
Website Personal: https://jorgemirez2002.wixsite.com/jorgemirez
Facebook http://www.facebook.com/jorgemirezperu
Linkedin https://www.linkedin.com/in/jorge-luis-mirez-tarrillo-94918423/
Scopus ID: https://www.scopus.com/authid/detail.uri?authorId=56488109800
Google Scholar: https://scholar.google.com/citations?user=_dSpp4YAAAAJ
MATLAB Group Admin in Facebook: https://www.facebook.com/groups/Matlab.Simulink.for.All
WhatsApp Channel/Canal: https://whatsapp.com/channel/0029VbCvpZsAYlUSz2esek2y
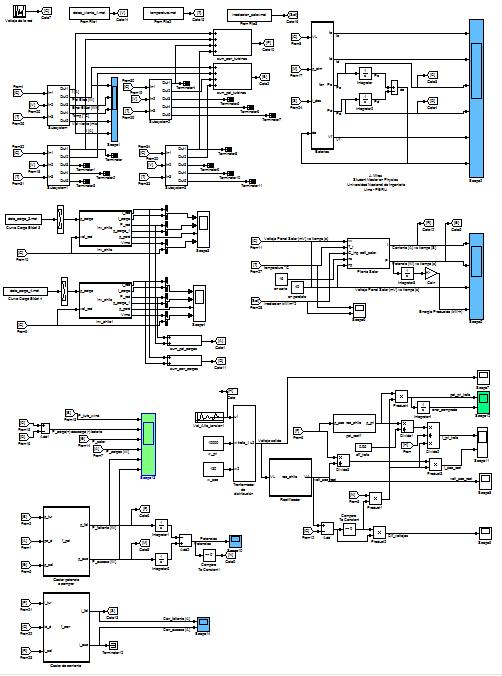
Esta es el diagrama esquemático que se hace en Simulink de la Microgrid de Energía N° 1 que explique en la entrada anterior. Como se observa, esta microgrid esta alimentado por fuentes de energía eólica y solar, una fuente de almacenamiento de energía (baterias) recoge la sobreproducción de energía eléctrica. Para cuando no hay suficiente energía proveniente de las renovables o almacenado, una fuente externa convencional, como es la interconexión de la microgrid con una red primaria por medio de un transformador-rectificador, suple de energía.
Dr. Jorge Luis Mírez Tarrillo
Group of Mathematical Modeling and Numerical Simulation (GMMNS).
Universidad Nacional de Ingeniería. Lima, Perú.
E-mail: jmirez@uni.edu.pe
Website Personal: https://jorgemirez2002.wixsite.com/jorgemirez
Facebook http://www.facebook.com/jorgemirezperu
Linkedin https://www.linkedin.com/in/jorge-luis-mirez-tarrillo-94918423/
Scopus ID: https://www.scopus.com/authid/detail.uri?authorId=56488109800
Google Scholar: https://scholar.google.com/citations?user=_dSpp4YAAAAJ
MATLAB Group Admin in Facebook: https://www.facebook.com/groups/Matlab.Simulink.for.All
WhatsApp Channel/Canal: https://whatsapp.com/channel/0029VbCvpZsAYlUSz2esek2y
Hola, estimados internautas que llegan a mi blog, sea en forma de búsqueda o los que ya son regulares visitantes de mi blog. Es una madrugada lluviosa en Chota (PERU) pero he terminado de modelar en Matlab/Simulink la microgrid de energía de la figura. Desearia colocar el diagrama de la microgrid pero es bastante grande. Iré colocando partes de la microgrid a medida que voy avanzando también en modelar otras cosas. En la figura como se podrá ver, tengo cuatro aerogeneradores y dos cargas domiciliarias. Los panales solares pueden estar distribuidos, lo mismo como también la entrada de energía primaria se ha dibujado en forma que sea un elemento, pero puede una representación gráfica que indica que hay dos o más de estos elementos. La energía sobrante va hacia la fuente de almacenamiento. Mientras haya exceso de producción de energía, ésta se irá almacenando. Cuando haya caída de voltaje, la fuente de almacenamiento compensa. Existe un monitoreo de la tensión de la línea eléctrica de la microgrid, todo vez se piensa a futuro trabajar en algo experimental o alguien lo piensa hacer.
Me vence el sueño, mañana actualizo esta entrada….
Dr. Jorge Luis Mírez Tarrillo
Group of Mathematical Modeling and Numerical Simulation (GMMNS).
Universidad Nacional de Ingeniería. Lima, Perú.
E-mail: jmirez@uni.edu.pe
Website Personal: https://jorgemirez2002.wixsite.com/jorgemirez
Facebook http://www.facebook.com/jorgemirezperu
Linkedin https://www.linkedin.com/in/jorge-luis-mirez-tarrillo-94918423/
Scopus ID: https://www.scopus.com/authid/detail.uri?authorId=56488109800
Google Scholar: https://scholar.google.com/citations?user=_dSpp4YAAAAJ
MATLAB Group Admin in Facebook: https://www.facebook.com/groups/Matlab.Simulink.for.All
WhatsApp Channel/Canal: https://whatsapp.com/channel/0029VbCvpZsAYlUSz2esek2y
En este modelo, se agrega a la anterior entrada la condición de que los valores del voltaje primario se dan parecidos a los que suceden en la realidad, porque en todo experimento se tendría que determinar el voltaje mediante un transformador de voltaje que permite la determinación en tiempo real. Esto se agrega la utilización de un transformador de corriente que permite determinar el verdadero consumo en compra de energía de la red primaria.
Dr. Jorge Luis Mírez Tarrillo
Group of Mathematical Modeling and Numerical Simulation (GMMNS).
Universidad Nacional de Ingeniería. Lima, Perú.
E-mail: jmirez@uni.edu.pe
Website Personal: https://jorgemirez2002.wixsite.com/jorgemirez
Facebook http://www.facebook.com/jorgemirezperu
Linkedin https://www.linkedin.com/in/jorge-luis-mirez-tarrillo-94918423/
Scopus ID: https://www.scopus.com/authid/detail.uri?authorId=56488109800
Google Scholar: https://scholar.google.com/citations?user=_dSpp4YAAAAJ
MATLAB Group Admin in Facebook: https://www.facebook.com/groups/Matlab.Simulink.for.All
WhatsApp Channel/Canal: https://whatsapp.com/channel/0029VbCvpZsAYlUSz2esek2y
Extraido de unas de las publicaciones de ABB, una de las mayores compañias del mundo en equipos para sistemas de potencia. Muestra las diferencias de concepto entre las redes eléctricas actuales y las microgrids. La tendencia es a promover la generación de energía cerca de los usuarios mediante la utilización de energías renovables. Pero hay mucho por investigar y desarrollar. Los cálculos en una microgrid son diferentes sustancialmente, tienen múltiples trayectores de energía y el control y dialogo entre empresa y usuario es necesario. Aparte el sistema tiene que ser posible de autocontrolarse, regularse y repararse automáticamente a si mismo… no comparto la tecnología SCADA, es la continuación de lo mismo de hoy, se hace evidente tener equipos inteligentes en cada parte de la microgrid y hablen un mismo idioma como los humanos, cuando queremos hacer manejo de dinero, en perú lo hacemos en soles, en Chile en pesos, en Brasil en reales… pero si tratamos de hacer negocios entre peruanos, brasileños, chilenos, etc., tenemos que hablar en dolares o euros.
Dr. Jorge Luis Mírez Tarrillo
Group of Mathematical Modeling and Numerical Simulation (GMMNS).
Universidad Nacional de Ingeniería. Lima, Perú.
E-mail: jmirez@uni.edu.pe
Website Personal: https://jorgemirez2002.wixsite.com/jorgemirez
Facebook http://www.facebook.com/jorgemirezperu
Linkedin https://www.linkedin.com/in/jorge-luis-mirez-tarrillo-94918423/
Scopus ID: https://www.scopus.com/authid/detail.uri?authorId=56488109800
Google Scholar: https://scholar.google.com/citations?user=_dSpp4YAAAAJ
MATLAB Group Admin in Facebook: https://www.facebook.com/groups/Matlab.Simulink.for.All
WhatsApp Channel/Canal: https://whatsapp.com/channel/0029VbCvpZsAYlUSz2esek2y
Este es un inversor multinivel, tiene cuatro etapas, la primera se llama MAESTRO y los otros ESCLAVOS. El MAESTRO es que conmuta poco y lleva una gran cantidad de potencia de la señal, los ESCLAVOS hacen el trabajo de complementar la potencia por escalas, el ultimo ESCLAVO es que conmuta mas pero lleva menor potencia.
Fuente: Facultad de Ingeneria Electrica – PUC de Chile.
Dr. Jorge Luis Mírez Tarrillo
Group of Mathematical Modeling and Numerical Simulation (GMMNS).
Universidad Nacional de Ingeniería. Lima, Perú.
E-mail: jmirez@uni.edu.pe
Website Personal: https://jorgemirez2002.wixsite.com/jorgemirez
Facebook http://www.facebook.com/jorgemirezperu
Linkedin https://www.linkedin.com/in/jorge-luis-mirez-tarrillo-94918423/
Scopus ID: https://www.scopus.com/authid/detail.uri?authorId=56488109800
Google Scholar: https://scholar.google.com/citations?user=_dSpp4YAAAAJ
MATLAB Group Admin in Facebook: https://www.facebook.com/groups/Matlab.Simulink.for.All
WhatsApp Channel/Canal: https://whatsapp.com/channel/0029VbCvpZsAYlUSz2esek2y
Fuente: Facultad de Ingeniería Eléctrica – Pontificia Universidad Católica de Chile.
SIN COMENTARIOS….
Dr. Jorge Luis Mírez Tarrillo
Group of Mathematical Modeling and Numerical Simulation (GMMNS).
Universidad Nacional de Ingeniería. Lima, Perú.
E-mail: jmirez@uni.edu.pe
Website Personal: https://jorgemirez2002.wixsite.com/jorgemirez
Facebook http://www.facebook.com/jorgemirezperu
Linkedin https://www.linkedin.com/in/jorge-luis-mirez-tarrillo-94918423/
Scopus ID: https://www.scopus.com/authid/detail.uri?authorId=56488109800
Google Scholar: https://scholar.google.com/citations?user=_dSpp4YAAAAJ
MATLAB Group Admin in Facebook: https://www.facebook.com/groups/Matlab.Simulink.for.All
WhatsApp Channel/Canal: https://whatsapp.com/channel/0029VbCvpZsAYlUSz2esek2y
Se muestra este puento de tipo H que tiene tres niveles de voltaje. La conexion y desconexion de sus interuptores determinan tres niveles de voltaje, esto permite que con una sola señal de entrada se obtenga tres voltajes a la salida.
Dr. Jorge Luis Mírez Tarrillo
Group of Mathematical Modeling and Numerical Simulation (GMMNS).
Universidad Nacional de Ingeniería. Lima, Perú.
E-mail: jmirez@uni.edu.pe
Website Personal: https://jorgemirez2002.wixsite.com/jorgemirez
Facebook http://www.facebook.com/jorgemirezperu
Linkedin https://www.linkedin.com/in/jorge-luis-mirez-tarrillo-94918423/
Scopus ID: https://www.scopus.com/authid/detail.uri?authorId=56488109800
Google Scholar: https://scholar.google.com/citations?user=_dSpp4YAAAAJ
MATLAB Group Admin in Facebook: https://www.facebook.com/groups/Matlab.Simulink.for.All
WhatsApp Channel/Canal: https://whatsapp.com/channel/0029VbCvpZsAYlUSz2esek2y
Esta es una señal de voltaje de 11 niveles, se puede observar claramente los niveles. Tecnologías futuras pueden reducir el tamaño de estos equipos y aumentar mucho mas los niveles (ya en Chile han hecho de 81 en la PUC de Chile). Es una muy buena solucion… quedaria atras la tecnología PWM
Dr. Jorge Luis Mírez Tarrillo
Group of Mathematical Modeling and Numerical Simulation (GMMNS).
Universidad Nacional de Ingeniería. Lima, Perú.
E-mail: jmirez@uni.edu.pe
Website Personal: https://jorgemirez2002.wixsite.com/jorgemirez
Facebook http://www.facebook.com/jorgemirezperu
Linkedin https://www.linkedin.com/in/jorge-luis-mirez-tarrillo-94918423/
Scopus ID: https://www.scopus.com/authid/detail.uri?authorId=56488109800
Google Scholar: https://scholar.google.com/citations?user=_dSpp4YAAAAJ
MATLAB Group Admin in Facebook: https://www.facebook.com/groups/Matlab.Simulink.for.All
WhatsApp Channel/Canal: https://whatsapp.com/channel/0029VbCvpZsAYlUSz2esek2y
Evidentemente es una solucion bastante ingeniosa lo que he podido admirar en este trabajo de la Pontificia Universidad Católica de Chile, y dista mucho de lo leido en otros papers que tuve acceso. Idem para su trabajo del inversor en que en otros trabajos he visto mucho mas complicado la explicacion y la solucion al problema, y en algunos tan solo para 11 niveles… cierto, en el que conoce puede simplificar su explicación.
Dr. Jorge Luis Mírez Tarrillo
Group of Mathematical Modeling and Numerical Simulation (GMMNS).
Universidad Nacional de Ingeniería. Lima, Perú.
E-mail: jmirez@uni.edu.pe
Website Personal: https://jorgemirez2002.wixsite.com/jorgemirez
Facebook http://www.facebook.com/jorgemirezperu
Linkedin https://www.linkedin.com/in/jorge-luis-mirez-tarrillo-94918423/
Scopus ID: https://www.scopus.com/authid/detail.uri?authorId=56488109800
Google Scholar: https://scholar.google.com/citations?user=_dSpp4YAAAAJ
MATLAB Group Admin in Facebook: https://www.facebook.com/groups/Matlab.Simulink.for.All
WhatsApp Channel/Canal: https://whatsapp.com/channel/0029VbCvpZsAYlUSz2esek2y
El desarrollo de esta manera, ayuda mucho en las experiencias y experimentos que podemos realizar fisicos e ingenieros
Dr. Jorge Luis Mírez Tarrillo
Group of Mathematical Modeling and Numerical Simulation (GMMNS).
Universidad Nacional de Ingeniería. Lima, Perú.
E-mail: jmirez@uni.edu.pe
Website Personal: https://jorgemirez2002.wixsite.com/jorgemirez
Facebook http://www.facebook.com/jorgemirezperu
Linkedin https://www.linkedin.com/in/jorge-luis-mirez-tarrillo-94918423/
Scopus ID: https://www.scopus.com/authid/detail.uri?authorId=56488109800
Google Scholar: https://scholar.google.com/citations?user=_dSpp4YAAAAJ
MATLAB Group Admin in Facebook: https://www.facebook.com/groups/Matlab.Simulink.for.All
WhatsApp Channel/Canal: https://whatsapp.com/channel/0029VbCvpZsAYlUSz2esek2y



























Debe estar conectado para enviar un comentario.